Tester7

ТВ-16 — питання новачка (патрон, бабка, вібрації)

70 повідомлень у цій темі

, vetalj написав:

Навіть якщо таке станеться, декілька хвилин знову відцентровано...

По чому будете обкатуватись, якщо різця вам зламало при розточних роботах в глибині? Або при нарізці різьби

0

Поділитися повідомленням


Посилання на повідомлення
Поділитися на інших сайтах
, Marafon333 написав:

Халтура....

Просто не нужные танцы с бубном. Только точение на удар и оно всё плывёт.

 

, Marafon333 написав:

Краще знксти поясок, і поставити кільце на гвинтах у потай.

І проточуй скільки хош...

Очень хороший вариант, но тут он пока не нужен, есть мясо на планшайбе. 

0

Поділитися повідомленням


Посилання на повідомлення
Поділитися на інших сайтах
8 годин тому, vetalj написав:

Я б пропылил посадочный торец планшайбы (убрать те две сотки) не трогая посадочного пояска , поставил патрон не зажимая фиксирующие винты полностью, зажал в патрон скалку (напр фрезу), выставил патрон на минимум биения и затем зажал винты полностью. С теми сьемами что работают на ТВ16 никуда патрон не сместится.

Да, я как раз изначально и планировал идти именно таким способом — без расточки пояска и выставить  патрон по скалке (или фрезе с мк3) с последующей протяжкой винтов. .

Но на практике упёрся в размеры. Проходное отверстие шпинделя под КМ3 около 26 мм, а проходное в самом патроне примерно 20 мм. Из-за этого нормально использовать скалку/фрезу насквозь уже не выходит — чисто геометрически не складывается схема выставления.

Так что идея правильная и для ТВ-шки её более чем достаточно, но в моём случае реализовать именно в таком виде не получилось. Поэтому пошёл дальше искать решение 

 

Змінено користувачем Tester7
0

Поділитися повідомленням


Посилання на повідомлення
Поділитися на інших сайтах
4 години тому, Tester7 написав:

Но на практике упёрся в размеры. Проходное отверстие шпинделя под КМ3 около 26 мм, а проходное в самом патроне примерно 20 мм. Из-за этого нормально использовать скалку/фрезу насквозь уже не выходит — чисто геометрически не складывается схема выставления.

 

 

А навіщо вам пхати той КМ3 в шпіндель, щоб виставити патрон? Вам потрібно циліндричну скалку зажати в патрон (бажано виявивши правильний сателіт) і по ній відцентрувати патрон на планшайбі по індикатору.

1

Поділитися повідомленням


Посилання на повідомлення
Поділитися на інших сайтах
5 годин тому, MaksKo написав:

А навіщо вам пхати той КМ3 в шпіндель, щоб виставити патрон? Вам потрібно циліндричну скалку зажати в патрон (бажано виявивши правильний сателіт) і по ній відцентрувати патрон на планшайбі по індикатору.

И так я тоже пробовал, у меня не получается 🤷. Или мало опыта для манипуляций 

0

Поділитися повідомленням


Посилання на повідомлення
Поділитися на інших сайтах
2 години тому, Tester7 написав:

И так я тоже пробовал, у меня не получается 🤷. Или мало опыта для манипуляций 

Робіть як треба це робити...

Вам радять люди які це вже пройшли ...

Крім того, новий поясок нівелює биття на шпінделі відносно патрона.

Перевірте який зазор у втулках.

Для "втулочника"-1-2 сотки. (поставте ножку індикатора на посадочний поясок, шпіндель качайте увверх-вниз і з невеликим зусиллям).

Я все-ж рекомендую вийняти шпіндель. Тоді можна все помити, щоб мастило нормально поступало. Також оцінити стан втулок і шейок шпінделя.

Шпіндель на втулочнику виймається значно простіше. Без зусиль (На верстатах з підшипниками шпіндель треба витягувати шпилькою, і часто один із РУПІВ при цьому розбирається, кульки в сепараторі, а наружня обойма залишається у корпусі ПБ) 

Змінено користувачем Marafon333
0

Поділитися повідомленням


Посилання на повідомлення
Поділитися на інших сайтах
13 години тому, Tester7 написав:

без расточки пояска и выставить  патрон по скалке (или фрезе с мк3) с последующей протяжкой винтов. .

Это работает только при идеальном шпинделе, а это не о ТВ

2 години тому, Tester7 написав:

И так я тоже пробовал, у меня не получается 🤷. Или мало опыта для манипуляций 

Очень геморно и без малейших гарантий. Выставили в нуль, пока подтягивает всё ушло.

1 година тому, Marafon333 написав:

Робіть як треба це робити...

 

2

Поділитися повідомленням


Посилання на повідомлення
Поділитися на інших сайтах

сегодня все таки решил разобрать шпиндельный узел но перед раскручивонием шлицывих гаек решил поделать  замеры в разных точках  :


далее начал откручивать шлицывые гайки (согласно видосикам из ютуба:D ), все открутил но шпиндель пока не поддается к выходу o.O ...вообщем закончил пока на таком виде :
photo_2026-02-13_19-20-17.jpgphoto_2026-02-13_19-20-18.jpg

далі буде......

0

Поділитися повідомленням


Посилання на повідомлення
Поділитися на інших сайтах
14 години тому, Tester7 написав:

замеры в разных точках

Що ви хочете побачити, поставивши стійку на МП, відгинаючи шпіндель в сторону.. впершись в фартух? Що ви хочете побачити, поставивши стійку на патрон, впершись індикатором в шків? Останній замір найбільш адекватний, хоча і до нього є питання, але поки ви не почнете розуміти скільки місць для люфта є на вимірюваному вами проміжку, верстат ви будете доводити вічно...

0

Поділитися повідомленням


Посилання на повідомлення
Поділитися на інших сайтах

Всем привет, продолжаю тему.

Продолжаю разборку и оценку состояния шпинделя ТВ-16. Сегодня наконец-то удалось извлечь шпиндель.
photo_2026-02-15_13-33-25 (7).jpg

Скажу честно — без трудностей не обошлось, опыта в таких работах у меня пока немного, поэтому повозиться пришлось нормально.

Сильно помогли подсказки участника форума @Stebium1 и дополнительная литература по узлу. Основная загвоздка оказалась в дистанционном кольце — его нужно было провернуть согласно положению
шпонки. Сразу до этого не дошло, поэтому и застрял на этом месте.
photo_2026-02-15_13-33-25 (6).jpg

После разборки визуально каких-то явных критических дефектов не увидел, но понимаю, что “на глаз” — это ни о чём. Реальное состояние будет понятно только после проверок.

Ранее мне посоветовали оценить состояние втулок по пятну контакта — через краску/синьку. Эту процедуру еще только планирую сделать и отдельно изучаю методику, чтобы не наделать ерунды.

На текущий момент состояние такое: шпиндель снят, втулки доступны для осмотра, дальше — проверка по отпечатку и замеры. По результатам отпишусь.

photo_2026-02-15_13-33-25 (3).jpgphoto_2026-02-15_13-33-25 (5).jpg

photo_2026-02-15_13-33-25 (2).jpg

photo_2026-02-15_13-33-25 (4).jpg

photo_2026-02-15_13-33-25.jpg

1

Поділитися повідомленням


Посилання на повідомлення
Поділитися на інших сайтах

Всем привет, продолжаю разбираться со шпиндельным узлом.

Сегодня снял втулки, полностью их промыл и убрал всю пластическую смазку.
Судя по всему, раньше туда через тавотницы шприцевали литол. Всё это вычистил, каналы прочистил, поставил войлочные пыжи. Сейчас задняя втулка уже нормально пропитывается маслом, со смазкой там ситуация стала понятнее.

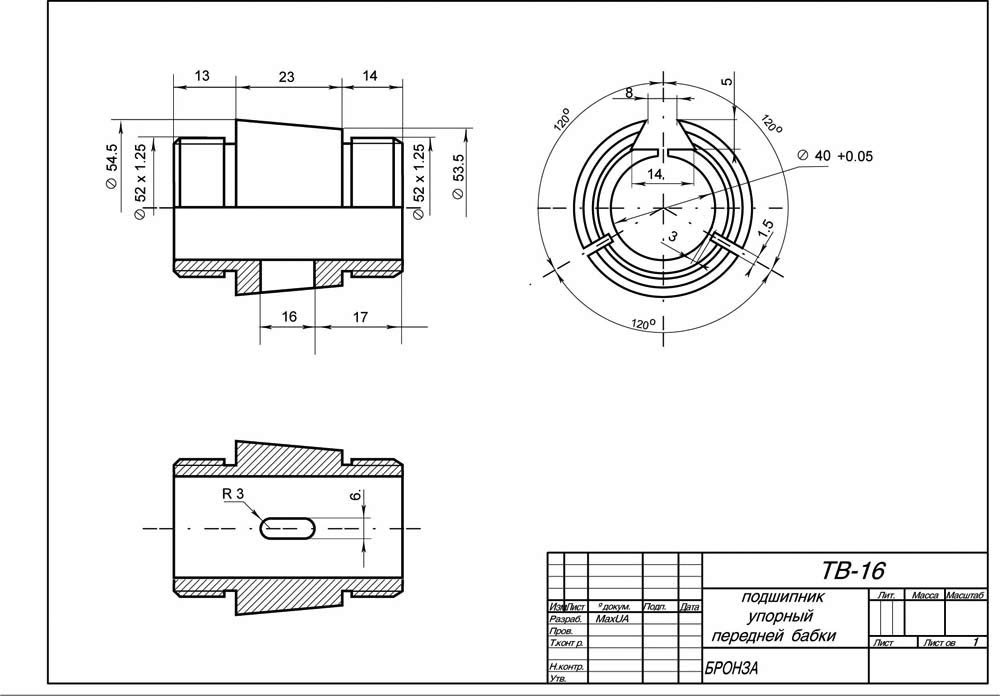
А вот с передней втулкой обнаружился нюанс.
 

На всех чертежах и фотографиях ТВ-16, которые нашёл на форумах, передняя втулка регулируется клином с углом (примерно 30–60°). У меня же никакого клина нет. Паз выполнен как обычный прямой (по сути 90°), и вместо клина стоял небольшой обточенный болт. Он немного распирал втулку — это видно по следам замятости на бронзе, то есть какую-то функцию он выполнял. Но площадь контакта там минимальная, фактически точечная.

Складывается ощущение, что узел когда-то переделывали.

Сейчас думаю, как правильнее поступить. Есть идея вместо болта сделать нормальный прямоугольный сухарь с резьбой М5, чтобы увеличить площадь контакта и чтобы распирание было более равномерным, а не точечным. Но при этом понимаю, что изначально конструкция предполагала именно клин с углом, а не прямую распорку.
 

Поэтому вопрос к тем, кто сталкивался:

встречались ли вам ТВ-16 с таким исполнением без клина?

допустимо ли оставить прямой сухарь вместо углового клина?

или всё-таки стоит восстановить именно клиновую схему регулировки?

Фото  моей втулки и того болта приложу ниже.:
photo_2026-02-28_20-38-42.jpgphoto_2026-02-28_20-38-43.jpg



а ниже приложу то что понаходил на фото у людей и чертежи :
large.PICT0048.JPG.4e760d7e08e7c666292035288065f54d.jpglarge.PICT0039.JPG.de1ba9673769e72efd3be8d080bddd4b.jpgpost-34822-055076900 1421315307.jpg

Пока дальше не лезу — хочу сначала понять, в какую сторону правильнее двигаться.

0

Поділитися повідомленням


Посилання на повідомлення
Поділитися на інших сайтах

На біду можна і надфелем зробити клинову форму, на точилі зробити клин, підігнавши під втулку, в ньому різьбу, щоб гвинтом притягувати до втулки через корпус. Як варіант відновлення працездатності має право на життя.

3

Поділитися повідомленням


Посилання на повідомлення
Поділитися на інших сайтах

Паз повинен бути клином. Такого лютого колхозу не чув/ не бачив.

Інакше як буде регулювання зазору у втулці ???

А це саме важливе в налаштуванні ПБ.

Якщо мяса на втулці хватає- віддати на фрезерний, для формування потрібного профілю паза.

Шейкі шпінделя поміряй мікрометром, на рахунок овальності.

Змінено користувачем Marafon333
0

Поділитися повідомленням


Посилання на повідомлення
Поділитися на інших сайтах
18 годин тому, andrysir1 написав:

На біду можна і надфелем зробити клинову форму, на точилі зробити клин, підігнавши під втулку, в ньому різьбу, щоб гвинтом притягувати до втулки через корпус. Як варіант відновлення працездатності має право на життя.

скорее всего так и сделаю... к стороним усулам не хочу обращятся 
 

11 година тому, Marafon333 написав:

Якщо мяса на втулці хватає- віддати на фрезерний, для формування потрібного профілю паза.

для качественного исполнения тут я согласен, но найти нормального мастера для этой задачи это уже другая история  

0

Поділитися повідомленням


Посилання на повідомлення
Поділитися на інших сайтах
, Tester7 написав:

скорее всего так и сделаю... к стороним усулам не хочу обращятся 
 

для качественного исполнения тут я согласен, но найти нормального мастера для этой задачи это уже другая история  

А ви його шукали?

Ніяких надфілів і точил!

Бо втулка буде "угроблена". І ще один тв-16 закончить земне життя....

1

Поділитися повідомленням


Посилання на повідомлення
Поділитися на інших сайтах
1 година тому, Marafon333 написав:

А ви його шукали?

Ніяких надфілів і точил!

Бо втулка буде "угроблена". І ще один тв-16 закончить земне життя....

Если честно — именно для этой задачи мастера я не искал.

Но опыт обращения к токарям и фрезеровщикам по другим мелким работам у меня уже был, и он, мягко говоря, не вдохновляет. За небольшие заказы либо не хотят браться, либо делают «на отстань». По деньгам выходит немного, поэтому и отношение соответствующее. В итоге тратишь время на поиски, объяснения, согласования — а качество потом всё равно приходится перепроверять и иногда переделывать.

Поэтому в данном случае хочу попробовать решить вопрос самостоятельно.

Изначально думал аккуратно изготовить клин вручную — надфилем, с постепенной подгонкой по месту. Не «раздолбать» паз, а именно сделать клиновидный сухарь и аккуратно вывести его геометрию.

Но есть и второй вариант, который я рассматриваю: купить пазовую фрезу типа «ласточкин хвост»
Точечный рисунок.jpg


, установить её на свою сверлилку 
Точечный рисунок (2).jpg


, взять небольшие координатные тиски
maxresdefault.jpg

 и попробовать аккуратно сформировать клиновидный паз механически. Понимаю, что сверлильный — не фрезерный, и нагрузка там должна быть минимальная, но как — теоретически вариант.

Пока взвешиваю оба способа

 

 

 

Змінено користувачем Tester7
0

Поділитися повідомленням


Посилання на повідомлення
Поділитися на інших сайтах
, Tester7 написав:

клиновую схему регулировки?

Фото  моей втулки и того болта приложу ниже.:
photo_2026-02-28_20-38-42.jpgphoto_2026-02-28_20-38-43.jpg


 

Ширина этого паза одинаковая в начале и конце втулки?

И да для фрезеровать нужны ещё будут и тиски

0

Поділитися повідомленням


Посилання на повідомлення
Поділитися на інших сайтах

Якби у мене була така фреза, то я би вам допоміг, ваша тільки пересилка

Змінено користувачем Marafon333
0

Поділитися повідомленням


Посилання на повідомлення
Поділитися на інших сайтах

А з китайської сверлилки фрезерного по металу не вийде... 

0

Поділитися повідомленням


Посилання на повідомлення
Поділитися на інших сайтах
, Marafon333 написав:

Якби у мене була така фреза, то я би вам допоміг, ваша тільки пересилка

написал в личные 

0

Поділитися повідомленням


Посилання на повідомлення
Поділитися на інших сайтах

Створіть акаунт або увійдіть для коментування

Ви маєте бути користувачем, щоб залишити коментар

Створити акаунт

Зареєструйтеся для отримання акаунта. Це просто!


Зареєструвати акаунт

Увійти

Вже зареєстровані? Увійдіть тут.


Увійти зараз

  • Зараз на сторінці   0 користувачів

    Немає користувачів, які переглядають цю сторінку